康比電子roducts
國產晶振
臺產晶振
進口晶振
- 日本大真空晶振
- 愛普生晶振
- 精工晶振
- 西鐵城晶振
- 村田晶振
- 進口KSS晶振
- NDK晶振
- 大河石英晶振
- 美國CTS晶振
- 微晶晶振
- Abracon晶振
- ECS晶振
- Golledge晶振
- IDT晶振
- Jauch晶振
- Pletronics晶振
- 拉隆晶振
- SiTime晶振
- Statek晶振
- 格林雷晶振
- 康納溫菲爾德晶振
- 日蝕晶振
- 瑞康晶振
- 維管晶振
- AEK晶振
- AEL晶振
- Cardinal晶振
- Crystek晶振
- Euroquartz晶振
- FOX晶振
- Frequency晶振
- Geyer晶振
- KVG晶振
- ILSI晶振
- MERCURY晶振
- MMDCOMP晶振
- MtronPTI晶振
- QANTEK晶振
- QuartzCom晶振
- Quarztechnik晶振
- Suntsu晶振
- Transko晶振
- Wi2Wi晶振
- Fujicom晶振
- Interquip晶振
- ITTI晶振
- Lihom晶振
- MTI晶振
- NAKA晶振
- Oscilent晶振
- PDI晶振
- Rubyquartz晶振
- Shinsung晶振
- SMI晶振
- CTECH晶振
- IQD晶振
- Microchip晶振
- NJR晶振
- Silicon晶振
- Anderson晶振
- Fortiming晶振
- CORE晶振
- NIPPON晶振
- NICKC晶振
- QVS晶振
- Bomar晶振
- Bliley晶振
- GED晶振
- FILTRONETICS晶振
- STD晶振
- Q-Tech晶振
- Wenzel晶振
- NEL晶振
- EM晶振
- PETERMANN晶振
- FCD-Tech晶振
- HEC晶振
- FMI晶振
- Macrobizes晶振
- AXTAL晶振
- Sunny晶振
- 瑞薩Renesas晶振
- SKYWORKS晶振
車載電子
數碼電子
智能家居
時計產品
無線網絡
智能穿戴
醫療器械
無人機
0755-27876201
常見問題
更多>>.jpg)
.jpg)
6G路由器晶振,SMD2200.3C-24.000MHz,GED壓控振蕩器,尺寸7050mm,頻率為24MHZ,美國GED晶振,GED有源振蕩器,有源壓控晶振,壓控晶體振蕩器,有源貼片晶振,OSC壓控晶振,VCXO壓控晶振,7050mm有源晶振,OSC石英振蕩器,SMD壓控振蕩器,有源晶體振蕩器,高性能壓控晶振,低耗能有源晶振,低抖動壓控振蕩器,低電壓振蕩器,低功耗壓控晶振,高質量有源晶振,6G路由器晶振,交換機專用晶振,通信模塊晶振,移動通信晶振,便攜式設備晶振,數碼電子晶振,具有低抖動低電壓高質量的特點。
產品非常適合用于6G路由器,交換機,通信模塊,移動通信,便攜式設備,數碼電子等領域。6G路由器晶振,SMD2200.3C-24.000MHz,GED壓控振蕩器.
.jpg)
6G路由器晶振,SMD2200.3C-24.000MHz,GED壓控振蕩器 參數表
ELECTRICAL SPECIFICATIONS | |||||
Description | SMD600 | SMD600.3 | |||
Frequency Range | 0.5 to 100MHz | 33MHz | |||
Frequency Stability | ±50ppm ±100ppm | ||||
Operating Temperature Range | 0°C to +70°C | ||||
Storage Temperature Range | -55 ~ +125°C | ||||
Input Voltage | 5.0VDC ±10% | 3.3VDC ±10% | |||
Input Current | 10mA to 60mA | ||||
Symmetry | 50±10% Standard, 50±5% Available | ||||
Rise Time / Fall Time |
10nSeconds (0.5 ~ 40.000MHz) 6nSeconds (50.0 ~ 100.000MHz) |
||||
Output Load | 10TTL or 15pF HCMOS | ||||
Pin 1 Option | No connection Enable/Disable (Tristate) |
.jpg)
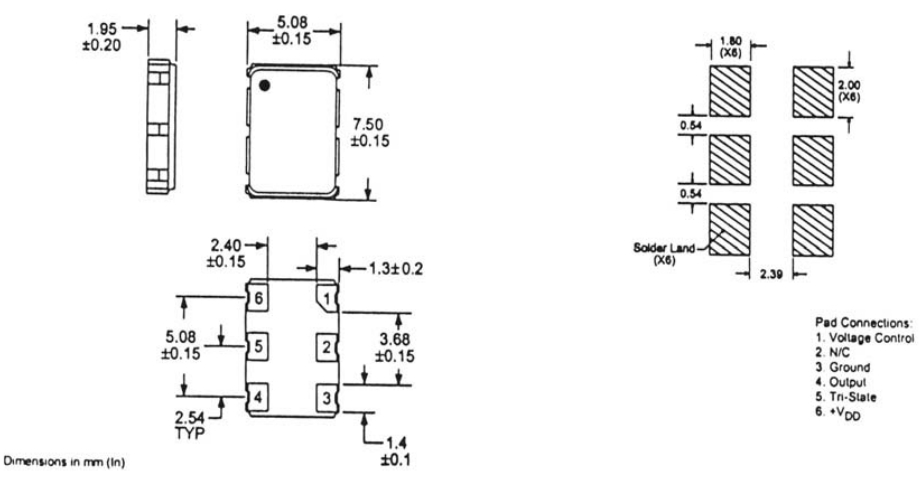
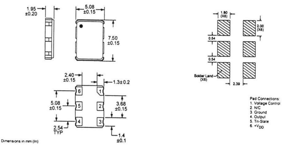
6G路由器晶振,SMD2200.3C-24.000MHz,GED壓控振蕩器 尺寸圖
6G路由器晶振,SMD2200.3C-24.000MHz,GED壓控振蕩器


1、技術支持:全方位技術指導,專業的技術支持讓您感受到前所未有的后顧無憂.
2、客服咨詢:專業的銷售團隊,耐心為您解答任何疑問,讓您的消費得到保障.
3、質量保證,誠信為本,上我司以“以科技為動力,以質量求生存,”為理念.
4、提升業績,降低成本為您的產品量身訂制,免費取樣,為您做到低成本,高效率.
3、質量保證,誠信為本,上我司以“以科技為動力,以質量求生存,”為理念.
4、提升業績,降低成本為您的產品量身訂制,免費取樣,為您做到低成本,高效率.


康比電子聯系方式:
Q Q: 577541227
電 話:0755-27876201
手 機: 13728742863
Email: kangbidz@163.com
網 址: http://m.siliconsi.com/
地 址: 廣東省深圳市寶安區41區33棟6層
Q Q: 577541227
電 話:0755-27876201
手 機: 13728742863
Email: kangbidz@163.com
網 址: http://m.siliconsi.com/
地 址: 廣東省深圳市寶安區41區33棟6層