康比電子roducts
國產晶振
臺產晶振
進口晶振
- 日本大真空晶振
- 愛普生晶振
- 精工晶振
- 西鐵城晶振
- 村田晶振
- 進口KSS晶振
- NDK晶振
- 大河石英晶振
- 美國CTS晶振
- 微晶晶振
- Abracon晶振
- ECS晶振
- Golledge晶振
- IDT晶振
- Jauch晶振
- Pletronics晶振
- 拉隆晶振
- SiTime晶振
- Statek晶振
- 格林雷晶振
- 康納溫菲爾德晶振
- 日蝕晶振
- 瑞康晶振
- 維管晶振
- AEK晶振
- AEL晶振
- Cardinal晶振
- Crystek晶振
- Euroquartz晶振
- FOX晶振
- Frequency晶振
- Geyer晶振
- KVG晶振
- ILSI晶振
- MERCURY晶振
- MMDCOMP晶振
- MtronPTI晶振
- QANTEK晶振
- QuartzCom晶振
- Quarztechnik晶振
- Suntsu晶振
- Transko晶振
- Wi2Wi晶振
- Fujicom晶振
- Interquip晶振
- ITTI晶振
- Lihom晶振
- MTI晶振
- NAKA晶振
- Oscilent晶振
- PDI晶振
- Rubyquartz晶振
- Shinsung晶振
- SMI晶振
- CTECH晶振
- IQD晶振
- Microchip晶振
- NJR晶振
- Silicon晶振
- Anderson晶振
- Fortiming晶振
- CORE晶振
- NIPPON晶振
- NICKC晶振
- QVS晶振
- Bomar晶振
- Bliley晶振
- GED晶振
- FILTRONETICS晶振
- STD晶振
- Q-Tech晶振
- Wenzel晶振
- NEL晶振
- EM晶振
- PETERMANN晶振
- FCD-Tech晶振
- HEC晶振
- FMI晶振
- Macrobizes晶振
- AXTAL晶振
- Sunny晶振
- 瑞薩Renesas晶振
- SKYWORKS晶振
車載電子
數碼電子
智能家居
時計產品
無線網絡
智能穿戴
醫療器械
無人機
0755-27876201
常見問題
更多>>.jpg)
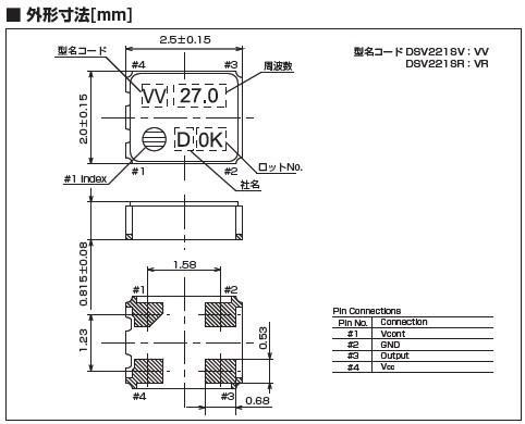
晶振DSV221SV,有源晶振2520,VCXO振蕩器壓控石英晶體振蕩器基本解決方案,PECL輸出,輸出頻率60 MHz到200 MHz之間,出色的低相位噪聲和抖動,三態功能,應用:SDH/ SONET,以太網,基站,筆記本晶振應用, VCXO,壓控晶體應用:調制解調器,ADSL網絡控制器,無線基站,程控交換設備智能手機,筆記本晶振等符合RoHS/無鉛.
.jpg)
料號 | DSV221SV | ||||
頻率范圍 | 6.75~90MHZ | ||||
負載電容 |
7pf 8pf 9pf 10pf 20pf |
||||
勵振ベ | 10μW (200μW max.) | ||||
周波數偏差 | ±30×10−6,±50×10−6,±100×10−6 (at 25℃) | ||||
直列抵抗 | 300Ωmax | 200Ωmax | 150Ωmax | 120Ωmax | 100Ωmax |
周波數溫度特性 | ±50×10−6/ー40~+85℃ (Ref. to 25℃ ) | ||||
±100×10−6/ー40~+125℃ (Ref. to 25℃ ) | |||||
±200×10−6/ー40~+150℃ (Ref. to 25℃ ) | |||||
保存溫度范圍 | ー40~150℃ | ||||
信頼性仕様 | AEC-Q200 | ||||
電壓 | 1.8V 2.5V 3.3V 5V |
.jpg)

.jpg)
高品質:確保產品的可靠性,使客戶可以完全放心使用”
公司擁有從營業部門向開發部門第一時間傳遞用戶需求的體系.通過這個體系,我們不斷滿足客戶的各種需求.我們的用戶是各類生產廠家,其新產品研發項目通常需要1-2年的時間.本公司在最初階段就參與規劃,調試樣品等,與客戶全程協作直到項目完成.
公司在水晶元器件的小型化方面處于行業領先地位.為了使生產線達到更高水平,我們的生產設備都是公司自己制造的.
為了應對多樣化、高端化的客戶需求,縮短貨期,我們的方針是在小型化的同時努力實現多功能化.
公司正在根據ISO14001(2001年獲得認證)制訂集團的環保方針.我們不僅遵守關于禁止使用的物質的法規,并通過生產設備的小型化達到節約空間、節省能源的目的,努力降低環境負荷.

1965開始批量生產的晶體諧振器零件.
1970東京辦事處.
1974建川廠(現涼廠)最高可能的大規模生產在世界人造石英晶體.
1977建立大真空(美國)有限公司開始向美國市場供應晶體諧振器.
1981建立大真空(香港)公司開始提供音叉型石英晶體諧振器的香港和中國市場.
1985開德島第二廠開始生產陶瓷產品打開配送中心在加古川市.
1987開名古屋辦事處.開始的溫度補償晶體振蕩器(TCXO)生產和電壓控制晶體振蕩器(VCXO).
1989更改公司名稱大真空第三十周年.建立了PT.KDS印度尼西亞啟動海外生產晶體諧振器.
1993建立了天津該公司開始音叉型石英晶體諧振器的海外生產.
1996取得ISO9001(國際標準化組織質量管理標準).
1998(獲得QS9000質量標準/汽車質量保證管理體系.)
2001擴大生產規模天津該公司地板
2003成立上海銳致國際貿易有限公司加強在中國的銷售.以和諧電子公司為本公司合并的子公司加強石英器件業務.
2010建立大真空(泰國)有限公司
2013東京證券交易所上市第一節.


1、技術支持:全方位技術指導,專業的技術支持讓您感受到前所未有的后顧無憂.
2、客服咨詢:專業的銷售團隊,耐心為您解答任何疑問,讓您的消費得到保障.
3、質量保證,誠信為本,上我司以“以科技為動力,以質量求生存,”為理念.
4、提升業績,降低成本為您的產品量身訂制,免費取樣,為您做到低成本,高效率.
3、質量保證,誠信為本,上我司以“以科技為動力,以質量求生存,”為理念.
4、提升業績,降低成本為您的產品量身訂制,免費取樣,為您做到低成本,高效率.


康比電子聯系方式:
Q Q: 577541227
電 話:0755-27876201
手 機: 13728742863
Email: kangbidz@163.com
網 址: http://m.siliconsi.com/
地 址: 廣東省深圳市寶安區41區33棟6層
Q Q: 577541227
電 話:0755-27876201
手 機: 13728742863
Email: kangbidz@163.com
網 址: http://m.siliconsi.com/
地 址: 廣東省深圳市寶安區41區33棟6層