企業博客
更多>>適用于自拍桿里面的【貼片晶振】
來源:http://m.siliconsi.com 作者:kangbily 2015年11月24
自拍是一種自信的表現,今天我們在街上經常看到很多美女或者情侶自拍.由于手機離我們人比較近無法展現出完整身材,于是有了“自拍神器”的誕生.自拍桿的實質就是:延長手臂.讓自己的表情盡量不蓋上非主流的印記以及讓更多的人出現在鏡頭里.從另一個角度來說,目前市場上常用的是兩種自拍桿.一種是早些時候出現的藍牙自拍桿:通過手機藍牙搜索自拍桿配帶的藍牙信號,配對后,通過藍牙遙控器來控制快門,目前這種自拍桿一般是用電池或者充電;一種是最近興起的線控自拍桿:桿子上配有一個插入手機的耳機孔的線,只要將線插上手機,按桿子上的按鈕就可以BIUBIU~拍照了.這種自拍桿不需電池,不需充電.
大家殊不知貼片晶振在里面的作用是至關重要的,自拍桿的工作原理主要是晶振在里面提供基準信號,通過藍牙的傳輸便可達到自拍的目的.這個一個看似非常簡單的原理,不需要很高的技術支持.那么主要的功臣是藍牙技術以及里面所使用到的晶振這兩大類器件.
.jpg)
31歲的杰奎琳·維迪爾和朋友一起去亞洲旅行.在途中,他們“發現了部分游客在使用自拍桿這個有趣的設備”.這引發了維迪爾的興趣,她在剩下的旅程中都在尋找自拍桿.后來,她和朋友“將自拍桿引進美國”.這事發生在2014年6月.維迪爾的那位朋友,32歲的多米尼克·蘇贊斯基,現在是她的商業合伙人.當他們找到可靠的制造廠商后,就立馬建立起自己的網站,直接向消費者售賣自拍桿.于是2014年10月份便開始引進中國.
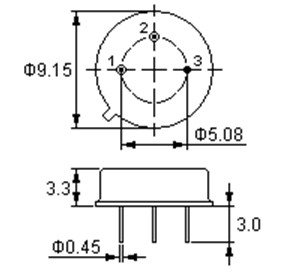
晶振分為:石英晶體諧振器、石英晶體振蕩器兩大來.按照外觀可分為:圓柱晶振、貼片晶振兩類.圓柱晶振通常適用于時鐘系統里面,凡是與時間系統有關的電子類產品務必有32.768K音叉晶體的存在,是顯示時間的作用.科技類產品流行的是超小超薄型晶體.一般常用尺寸:8045、7050、6035、5032、4015、3225、2520、2016、1612.從以上數據我們可以看出晶體的發展體積越來越小.根據市場需求相結合超小型更受市場青睞.主要是為產品提供穩定的頻率.使其保持正常運行.
大家殊不知貼片晶振在里面的作用是至關重要的,自拍桿的工作原理主要是晶振在里面提供基準信號,通過藍牙的傳輸便可達到自拍的目的.這個一個看似非常簡單的原理,不需要很高的技術支持.那么主要的功臣是藍牙技術以及里面所使用到的晶振這兩大類器件.
.jpg)
.jpg)
31歲的杰奎琳·維迪爾和朋友一起去亞洲旅行.在途中,他們“發現了部分游客在使用自拍桿這個有趣的設備”.這引發了維迪爾的興趣,她在剩下的旅程中都在尋找自拍桿.后來,她和朋友“將自拍桿引進美國”.這事發生在2014年6月.維迪爾的那位朋友,32歲的多米尼克·蘇贊斯基,現在是她的商業合伙人.當他們找到可靠的制造廠商后,就立馬建立起自己的網站,直接向消費者售賣自拍桿.于是2014年10月份便開始引進中國.
晶振分為:石英晶體諧振器、石英晶體振蕩器兩大來.按照外觀可分為:圓柱晶振、貼片晶振兩類.圓柱晶振通常適用于時鐘系統里面,凡是與時間系統有關的電子類產品務必有32.768K音叉晶體的存在,是顯示時間的作用.科技類產品流行的是超小超薄型晶體.一般常用尺寸:8045、7050、6035、5032、4015、3225、2520、2016、1612.從以上數據我們可以看出晶體的發展體積越來越小.根據市場需求相結合超小型更受市場青睞.主要是為產品提供穩定的頻率.使其保持正常運行.
正在載入評論數據...
此文關鍵字: 自拍貼片晶振
相關資訊
- [2025-09-17]Geyer精密之芯KX-327FT晶振的科...
- [2025-07-04]Greenray晶振T90系列TCXO發揮著...
- [2024-05-24]Silicon Labs無線物聯網解決方案...
- [2024-05-22]ConnorWinfield晶振125系列振蕩...
- [2024-05-21]Suntsu影響電子元件成本的關鍵因...
- [2024-04-22]米利倫GPSDO振蕩器可作為堅固的...
- [2024-04-19]QuartzCom提供廣泛的VCTCXO振蕩...
- [2024-04-17]彼得曼M1610-32.768kHz-20ppm-1...