企業博客
更多>>貼片晶振陪伴了藍牙技術成立至今的20周年
來源:http://m.siliconsi.com 作者:康比電子 2018年07月05
藍牙技術一直在迅速發展, 在各方面行業領域被廣泛使用,而今年是藍牙技術聯盟成立20周年,受市場需求渠道,藍牙20年來的發展歷程和取得的成績,以及藍牙市場的發展趨勢特別是新興市場的發展前景。智能樓宇,智能家居,智慧城市和汽車是熱門應用領域,
首先藍牙設備在智能家居領域上,2018年,首批藍牙全家居自動化系統已經面世,藍牙網絡將持續提供可靠的無線連接平臺,實現照明,溫控,煙霧探測器,攝像頭,門鈴和門鎖等的自動華控制,其中,預計照明在未來5年的復合增長將超過50%。 其次在汽車領域,藍牙將成為大部分新車的標配。2018年,所有新車中高達86%的新車將具備藍牙連接功能,藍牙無線傳感器系統能夠將偵測的信息和警報傳輸到服務管理解決方案,從而簡化商業車隊及消費車輛的維護。預計到2022年,車用設備出貨量將增長4.5倍,與智能手機融為一體的職能車鑰匙將通過藍牙連接實現自動鎖定和解鎖檢測,自定義座椅設定,分享虛擬鑰匙的便利功能。
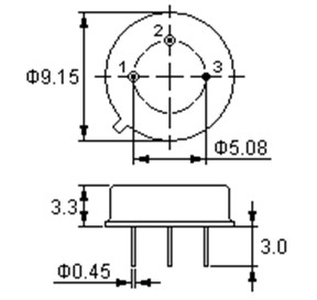
可見藍牙設備已被通用在各行業領域中,同時也是電子產品中的一項基本功能設備,即使是一個基本普通的電子產品都具備了藍牙功能,隨著藍牙設備的應用越來越廣泛,用量也越來隨之增長,那么既然藍牙設備已經遍布了我們的周邊,你們可否知道在它的體內擁有哪些電子元件來支持著它的接收功能呢? 小編康比電子有限公司是專業生產石英晶振,有源晶振,貼片晶振等頻率元件的晶振廠家,深知在藍牙設備里需要使用到我們生產的晶振元件,首先是大多數電子產品都需要使用到的一款32.768KHZ系列,32.768KHZ有分為DIP式和SMD式,在藍牙設備使用到的是小體積的貼片晶振系列.小型貼片千赫子時鐘晶體,其本身主要應用在時鐘控制產品,或者是控制模塊,主要給時鐘芯片提供一個基準信號,其主要各項功能還得看應用何種產品.本產品具有小型,薄型,輕型的貼片晶振表面型石英晶體諧振器,產品具有優良的耐熱性,耐環境特性,可發揮晶振優良的電氣特性,符合RoHS規定,滿足無鉛焊接的高溫回流溫度曲線要求.
而提供藍牙接收信號功能的是一款體積3225貼片晶振,3225貼片晶振是目前最受歡迎的一款石英晶振,小型貼片晶振,外觀尺寸具有薄型表面貼片型石英晶體諧振器,特別適用于有小型化要求的市場領域,比如智能手機,無線藍牙,平板電腦等電子數碼產品.該系列產品在能使藍牙功能傳輸正常,能在一定的范圍內能正常接收信號. 藍牙最初被視為一種在移動語音和數據傳輸應用中取代電纜的無線技術。從開啟互聯設備與定位的技術和市場,到二十年后,藍牙mesh網絡標準的推出開啟從智能工廠到智慧醫院等一系列的全新市場和用例,今天的藍牙能夠連接數以千計的設備,為整體樓宇創建廣范圍、可擴展、低成本的網絡。藍牙的出現帶來了無線音頻與連接設備市場,預計藍牙設備出貨量在2018年將達到40億臺.
首先藍牙設備在智能家居領域上,2018年,首批藍牙全家居自動化系統已經面世,藍牙網絡將持續提供可靠的無線連接平臺,實現照明,溫控,煙霧探測器,攝像頭,門鈴和門鎖等的自動華控制,其中,預計照明在未來5年的復合增長將超過50%。 其次在汽車領域,藍牙將成為大部分新車的標配。2018年,所有新車中高達86%的新車將具備藍牙連接功能,藍牙無線傳感器系統能夠將偵測的信息和警報傳輸到服務管理解決方案,從而簡化商業車隊及消費車輛的維護。預計到2022年,車用設備出貨量將增長4.5倍,與智能手機融為一體的職能車鑰匙將通過藍牙連接實現自動鎖定和解鎖檢測,自定義座椅設定,分享虛擬鑰匙的便利功能。
可見藍牙設備已被通用在各行業領域中,同時也是電子產品中的一項基本功能設備,即使是一個基本普通的電子產品都具備了藍牙功能,隨著藍牙設備的應用越來越廣泛,用量也越來隨之增長,那么既然藍牙設備已經遍布了我們的周邊,你們可否知道在它的體內擁有哪些電子元件來支持著它的接收功能呢? 小編康比電子有限公司是專業生產石英晶振,有源晶振,貼片晶振等頻率元件的晶振廠家,深知在藍牙設備里需要使用到我們生產的晶振元件,首先是大多數電子產品都需要使用到的一款32.768KHZ系列,32.768KHZ有分為DIP式和SMD式,在藍牙設備使用到的是小體積的貼片晶振系列.小型貼片千赫子時鐘晶體,其本身主要應用在時鐘控制產品,或者是控制模塊,主要給時鐘芯片提供一個基準信號,其主要各項功能還得看應用何種產品.本產品具有小型,薄型,輕型的貼片晶振表面型石英晶體諧振器,產品具有優良的耐熱性,耐環境特性,可發揮晶振優良的電氣特性,符合RoHS規定,滿足無鉛焊接的高溫回流溫度曲線要求.
而提供藍牙接收信號功能的是一款體積3225貼片晶振,3225貼片晶振是目前最受歡迎的一款石英晶振,小型貼片晶振,外觀尺寸具有薄型表面貼片型石英晶體諧振器,特別適用于有小型化要求的市場領域,比如智能手機,無線藍牙,平板電腦等電子數碼產品.該系列產品在能使藍牙功能傳輸正常,能在一定的范圍內能正常接收信號. 藍牙最初被視為一種在移動語音和數據傳輸應用中取代電纜的無線技術。從開啟互聯設備與定位的技術和市場,到二十年后,藍牙mesh網絡標準的推出開啟從智能工廠到智慧醫院等一系列的全新市場和用例,今天的藍牙能夠連接數以千計的設備,為整體樓宇創建廣范圍、可擴展、低成本的網絡。藍牙的出現帶來了無線音頻與連接設備市場,預計藍牙設備出貨量在2018年將達到40億臺.
正在載入評論數據...
相關資訊
- [2025-09-17]Geyer精密之芯KX-327FT晶振的科...
- [2025-07-04]Greenray晶振T90系列TCXO發揮著...
- [2024-05-24]Silicon Labs無線物聯網解決方案...
- [2024-05-22]ConnorWinfield晶振125系列振蕩...
- [2024-05-21]Suntsu影響電子元件成本的關鍵因...
- [2024-04-22]米利倫GPSDO振蕩器可作為堅固的...
- [2024-04-19]QuartzCom提供廣泛的VCTCXO振蕩...
- [2024-04-17]彼得曼M1610-32.768kHz-20ppm-1...