康比電子roducts
國產晶振
臺產晶振
進口晶振
- 日本大真空晶振
- 愛普生晶振
- 精工晶振
- 西鐵城晶振
- 村田晶振
- 進口KSS晶振
- NDK晶振
- 大河石英晶振
- 美國CTS晶振
- 微晶晶振
- Abracon晶振
- ECS晶振
- Golledge晶振
- IDT晶振
- Jauch晶振
- Pletronics晶振
- 拉隆晶振
- SiTime晶振
- Statek晶振
- 格林雷晶振
- 康納溫菲爾德晶振
- 日蝕晶振
- 瑞康晶振
- 維管晶振
- AEK晶振
- AEL晶振
- Cardinal晶振
- Crystek晶振
- Euroquartz晶振
- FOX晶振
- Frequency晶振
- Geyer晶振
- KVG晶振
- ILSI晶振
- MERCURY晶振
- MMDCOMP晶振
- MtronPTI晶振
- QANTEK晶振
- QuartzCom晶振
- Quarztechnik晶振
- Suntsu晶振
- Transko晶振
- Wi2Wi晶振
- Fujicom晶振
- Interquip晶振
- ITTI晶振
- Lihom晶振
- MTI晶振
- NAKA晶振
- Oscilent晶振
- PDI晶振
- Rubyquartz晶振
- Shinsung晶振
- SMI晶振
- CTECH晶振
- IQD晶振
- Microchip晶振
- NJR晶振
- Silicon晶振
- Anderson晶振
- Fortiming晶振
- CORE晶振
- NIPPON晶振
- NICKC晶振
- QVS晶振
- Bomar晶振
- Bliley晶振
- GED晶振
- FILTRONETICS晶振
- STD晶振
- Q-Tech晶振
- Wenzel晶振
- NEL晶振
- EM晶振
- PETERMANN晶振
- FCD-Tech晶振
- HEC晶振
- FMI晶振
- Macrobizes晶振
- AXTAL晶振
- Sunny晶振
- 瑞薩Renesas晶振
- SKYWORKS晶振
車載電子
數碼電子
智能家居
時計產品
無線網絡
智能穿戴
醫療器械
無人機
0755-27876201
常見問題
更多>>
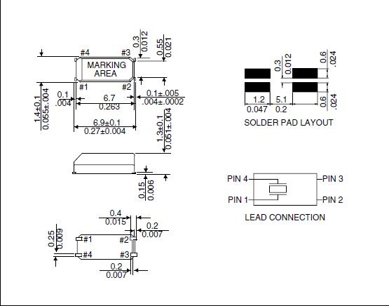
Rubyquartz晶振,H14晶振,RSE-32.768-12.5-H14-TR晶振,32.768K時鐘晶體具有小型,薄型,輕型的貼片晶振表面音叉型晶體振蕩器,產品具有優良的耐熱性,耐環境特性,可發揮晶振優良的電氣特性,符合RoHS規定,滿足無鉛焊接的高溫回流溫度曲線要求,金屬外殼的封裝使得產品在封裝時能發揮比陶瓷振蕩器外殼更好的耐沖擊性.
Rubyquartz不僅提供其標準產品的產品,而且隨時準備開發特殊產品,以滿足最復雜的客戶需求。
Rubyquartz晶振作為頻率控制產品的供應商,RUBY QUARTZ在我們生產的產品中使用某些金屬。雖然RUBY QUARTZ要求所有供應商遵守電子行業行為準則,并且僅從環境和社會責任供應商處采購材料,但我們認識到涉及某些金屬的復雜供應鏈,并已采取措施確保我們購買的原始金屬做不是源于沖突地雷。“沖突采礦”和“沖突金屬”是指非洲控制非洲剛果民主共和國東部地區的一些地雷。電子工業使用某些類型的金屬,其中一些可能從這些礦山獲得的礦物中提煉。
Rubyquartz公司量產的石英晶振,貼片晶振和陶瓷諧振器具有優良的兼容性,相同參數,封裝的晶振可通用,或可以運用到不同的產品身上,除了研發量產常規型頻率控制元器件產品,也在開發非常規的特殊晶體,以滿足不同廠家的生產需求。
Rubyquartz晶振-Rubyquartz Crystal是領先的頻率元件供應商之一,主要提供市場盧柏貼片晶振,有源晶振,溫補晶振,石英晶體等,Rubyquartz晶振集團致力于向全球用戶提供優質的晶振產品,并確保每一顆晶振的完整度,讓用戶使用上性能優越,價格低廉的晶振產品.Rubyquartz晶振,H14晶振,RSE-32.768-12.5-H14-TR晶振.
NOMINAL FREQUENCY | 32.768 kHz |
FREQUENCY TOLERANCE | ±20 PPM, ±50 PPM |
TURNOVER TEMPERATURE | ±25°C ±5°C |
TEMPERATURE COEFFICIENT | -(0.035±0.01) PPM/°C² |
LOAD CAPACITANCE | 12.5 pF |
EQUIVALENT SERIES RESISTANCE | 65 kOHMS MAXIMUM |
DRIVE LEVEL | 0.1 µW TYP, 1 µW MAX. |
SHUNT CAPACITANCE | 0.8 pF TYPICAL |
AGING (FIRST YEAR) | ±3 PPM/YEAR MAXIMUM |
OPERATING TEMPERATURE RANGE | -20°C TO +70°C |
STORAGE TEMPERATURE RANGE | -40°C TO +125°C |
INSULATION RESISTANCE | 500 MOHMS MINIMUM |
SHOCK RESISTANCE |
±5 PPM MAXIMUM |
.jpg)


存儲事項
(1) 在更高或更低溫度或高濕度環境下長時間保存晶體產品時,會影響頻率穩定性或焊接性。請在正常溫度和濕度環境下保存這些晶體產品,并在開封后盡可能進行安裝,以免長期儲藏。
正常溫度和濕度:
溫度:+15°C 至 +35°C,濕度 25 % RH 至 85 % RH(請參閱“測試點JIS C 60068-1 / IEC 60068-1的標準條件”章節內容)。
(2) 請仔細處理內外盒與卷帶。外部壓力會導致卷帶受到損壞。
安裝時注意事項
耐焊性
加熱包裝材料至+150°C以上會破壞產品特性或損害產品。如需在+150°C以上焊接晶體產品,建議使用SMD產品。在下列回流條件下,對晶體產品甚至SMD產品使用更高溫度,會破壞產品特性。建議使用下列配置情況的回流條件。安裝這些產品之前,應檢查焊接溫度和時間。同時,在安裝條件更改的情況下,請再次進行檢查。如果需要焊接的石英晶體產品在下列配置條件下進行焊接,請聯系我們以獲取耐熱的相關信息。
(1)柱面式產品和DIP產品
型號 焊接條件
[ 柱面式 音叉晶振]
C-類型,C-2-類型,C-4-類型 +280°C或低于@最大值5 s
請勿加熱封裝材料超過+150°C
[ 柱面式 ]
CA-301
[ DIP ]
SG-51 / 531, SG-8002DB DC,
RTC-72421 / 7301DG +260°C或低于@最大值 10 s
請勿加熱封裝材料超過+150°C
(2)SMD晶振產品回流焊接條件(實例)
用于JEDEC J-STD-020D.01回流條件的耐熱可用性需個別判斷。請聯系我們以便獲取相關信息。
盡可能使溫度變化曲線保持平滑。Rubyquartz晶振,H14晶振,RSE-32.768-12.5-H14-TR晶振.


1、技術支持:全方位技術指導,專業的技術支持讓您感受到前所未有的后顧無憂.
2、客服咨詢:專業的銷售團隊,耐心為您解答任何疑問,讓您的消費得到保障.
3、質量保證,誠信為本,上我司以“以科技為動力,以質量求生存,”為理念.
4、提升業績,降低成本為您的產品量身訂制,免費取樣,為您做到低成本,高效率.
康比電子聯系方式:
Q Q: 577541227
電 話:0755-27876201
手 機: 13728742863
Email: kangbidz@163.com
網 址: http://m.siliconsi.com/
地 址: 廣東省深圳市寶安區41區33棟6層
