康比電子roducts
國產晶振
臺產晶振
進口晶振
- 日本大真空晶振
- 愛普生晶振
- 精工晶振
- 西鐵城晶振
- 村田晶振
- 進口KSS晶振
- NDK晶振
- 大河石英晶振
- 美國CTS晶振
- 微晶晶振
- Abracon晶振
- ECS晶振
- Golledge晶振
- IDT晶振
- Jauch晶振
- Pletronics晶振
- 拉隆晶振
- SiTime晶振
- Statek晶振
- 格林雷晶振
- 康納溫菲爾德晶振
- 日蝕晶振
- 瑞康晶振
- 維管晶振
- AEK晶振
- AEL晶振
- Cardinal晶振
- Crystek晶振
- Euroquartz晶振
- FOX晶振
- Frequency晶振
- Geyer晶振
- KVG晶振
- ILSI晶振
- MERCURY晶振
- MMDCOMP晶振
- MtronPTI晶振
- QANTEK晶振
- QuartzCom晶振
- Quarztechnik晶振
- Suntsu晶振
- Transko晶振
- Wi2Wi晶振
- Fujicom晶振
- Interquip晶振
- ITTI晶振
- Lihom晶振
- MTI晶振
- NAKA晶振
- Oscilent晶振
- PDI晶振
- Rubyquartz晶振
- Shinsung晶振
- SMI晶振
- CTECH晶振
- IQD晶振
- Microchip晶振
- NJR晶振
- Silicon晶振
- Anderson晶振
- Fortiming晶振
- CORE晶振
- NIPPON晶振
- NICKC晶振
- QVS晶振
- Bomar晶振
- Bliley晶振
- GED晶振
- FILTRONETICS晶振
- STD晶振
- Q-Tech晶振
- Wenzel晶振
- NEL晶振
- EM晶振
- PETERMANN晶振
- FCD-Tech晶振
- HEC晶振
- FMI晶振
- Macrobizes晶振
- AXTAL晶振
- Sunny晶振
- 瑞薩Renesas晶振
- SKYWORKS晶振
車載電子
數碼電子
智能家居
時計產品
無線網絡
智能穿戴
醫療器械
無人機
0755-27876201
常見問題
更多>>
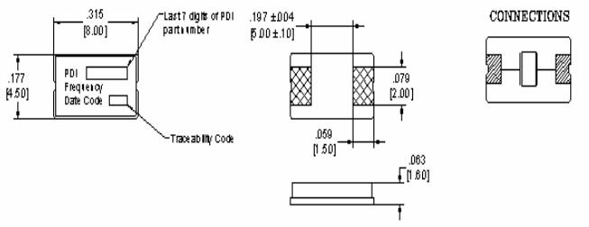
PDI晶振,C8晶振,12MHZ晶振,貼片晶振本身體積小,超薄型石英晶體振蕩器,特別適用于有目前高速發展的高端電子數碼產品,因為晶振本身小型化需求的市場領域,小型,薄型是對應陶瓷振蕩器(偏差大)和普通的石英晶體振蕩器(偏差小)的中間領域的一種性價比較出色的產品.產品廣泛用于筆記本電腦,無線電話,衛星導航SSD,USB,Blu-ray等用途,符合無鉛焊接的高溫回流焊曲線特性.
美國PDI 頻率控制元器件, 主要致力于石英晶振, 濾波器等系列產品規格的銷售。頻率控制產品:Crystals 石英晶體, Filter 晶體濾波器, XO 晶體振蕩器, VCXO壓控晶振, TCXO 溫補晶振, OCXO 恒溫晶振, TC-OCXO 溫補恒溫晶振, XO SMD封裝系列, XO 引線式封裝系列, TCXO SMD封裝系列, TCXO 引線式封裝系列, OCXO 恒溫晶振, OCXO SMD 封裝系列, OCXO 引線式封裝系列, TCVCXO 溫補壓控晶振.
無論什么的要求,我們工程師的職員和銷售人員會指引你哪些是正確適合的產品。PDI包涵一大范圍的市場詳細的能力,能提供任何產品的設計分析。我們會持續介紹新產品和技術的特殊包裝和高頻率設計。
PDI晶振所制造的頻率控制設備使用在軍事,工業,醫學,航空電子設備和商業的市場。PDI在1989年已經是頻率控制設備的主要供貨商,主要供應溫補晶振,SMD晶振,石英晶體振蕩器等元件.PDI晶振,C8晶振,12MHZ晶振.
PARAMETER |
MINI- MUM |
MAXI- MUM |
UNITS |
Center Frequency | 12 | 50 | MHz |
Maximum Series Resistance (See Note 3) | 50 | Ohms | |
Frequency Stability at +25°C (See Note 2) | ± 50 | ± 100 | ppm |
Frequency Stability Over Temperature | ± 50 | ± 100 | ppm |
Operating Temperature Range (See Note 2) | -20 to 70 | °C | |
Storage Temperature Range | -40 to 85 | °C | |
Drive Level | 100uW | 500uW | uW |
Shunt Capacitance | 7 | pF | |
Motional Capacitance | Customer Specified | fF | |
Load Capacitance | 18 (Customer Specified) | pF | |
Aging per year | ± 5 |
ppm |
.jpg)

自動安裝時的沖擊:
石英晶振自動安裝和真空化引發的沖擊會破壞產品特性并影響這些產品。請設置安裝條件以盡可能將沖擊降至最低,并確保在安裝前未對晶振特性產生影響。條件改變時,請重新檢查安裝條件。同時,在安裝前后,請確保石英晶振產品未撞擊機器或其他電路板等。
每個封裝類型的注意事項
陶瓷包裝晶振與SON產品
在焊接陶瓷封裝晶振(陶瓷晶振)和SON產品 (陶瓷包裝是指晶振外觀采用陶瓷制品) 之后,彎曲電路板會因機械應力而導致焊接部分剝落或封裝分裂(開裂)。尤其在焊接這些產品之后進行電路板切割時,務必確保在應力較小的位置布局晶體并采用應力更小的切割方法。
陶瓷包裝石英晶振
在一個不同擴張系數電路板(環氧玻璃)上焊接陶瓷封裝石英晶振時,在溫度長時間重復變化時可能導致端子焊接部分發生斷裂,請事先檢查焊接特性。PDI晶振,C8晶振,12MHZ晶振.
1、技術支持:全方位技術指導,專業的技術支持讓您感受到前所未有的后顧無憂.
2、客服咨詢:專業的銷售團隊,耐心為您解答任何疑問,讓您的消費得到保障.
3、質量保證,誠信為本,上我司以“以科技為動力,以質量求生存,”為理念.
4、提升業績,降低成本為您的產品量身訂制,免費取樣,為您做到低成本,高效率.
康比電子聯系方式:
Q Q: 577541227
電 話:0755-27876201
手 機: 13728742863
Email: kangbidz@163.com
網 址: http://m.siliconsi.com/
地 址: 廣東省深圳市寶安區41區33棟6層