康比電子roducts
國產晶振
臺產晶振
進口晶振
- 日本大真空晶振
- 愛普生晶振
- 精工晶振
- 西鐵城晶振
- 村田晶振
- 進口KSS晶振
- NDK晶振
- 大河石英晶振
- 美國CTS晶振
- 微晶晶振
- Abracon晶振
- ECS晶振
- Golledge晶振
- IDT晶振
- Jauch晶振
- Pletronics晶振
- 拉隆晶振
- SiTime晶振
- Statek晶振
- 格林雷晶振
- 康納溫菲爾德晶振
- 日蝕晶振
- 瑞康晶振
- 維管晶振
- AEK晶振
- AEL晶振
- Cardinal晶振
- Crystek晶振
- Euroquartz晶振
- FOX晶振
- Frequency晶振
- Geyer晶振
- KVG晶振
- ILSI晶振
- MERCURY晶振
- MMDCOMP晶振
- MtronPTI晶振
- QANTEK晶振
- QuartzCom晶振
- Quarztechnik晶振
- Suntsu晶振
- Transko晶振
- Wi2Wi晶振
- Fujicom晶振
- Interquip晶振
- ITTI晶振
- Lihom晶振
- MTI晶振
- NAKA晶振
- Oscilent晶振
- PDI晶振
- Rubyquartz晶振
- Shinsung晶振
- SMI晶振
- CTECH晶振
- IQD晶振
- Microchip晶振
- NJR晶振
- Silicon晶振
- Anderson晶振
- Fortiming晶振
- CORE晶振
- NIPPON晶振
- NICKC晶振
- QVS晶振
- Bomar晶振
- Bliley晶振
- GED晶振
- FILTRONETICS晶振
- STD晶振
- Q-Tech晶振
- Wenzel晶振
- NEL晶振
- EM晶振
- PETERMANN晶振
- FCD-Tech晶振
- HEC晶振
- FMI晶振
- Macrobizes晶振
- AXTAL晶振
- Sunny晶振
- 瑞薩Renesas晶振
- SKYWORKS晶振
車載電子
數碼電子
智能家居
時計產品
無線網絡
智能穿戴
醫療器械
無人機
0755-27876201
常見問題
更多>>.jpg)
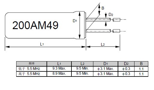
愛普生晶振CA-301,MHZ圓形晶體,醫療設備晶振“CA-301 4.0000M-C:PBFREE”,主要采用了高精度晶片的拋光技術:是目前晶片研磨技術中表面處理技術的最高技術,最終使晶片表面更光潔,平行度及平面度更好,降低諧振電阻,提高Q值.從而達到一般研磨所達不到的產品性能.
.jpg)
項目 | 記 號 | CA-301 | 條 件 |
頻率 | f_nom | 4~64MHZ | |
電壓 | ppm | 10ppm 20ppm或指定 | |
頂點溫度 | Ti | +25±5°C | |
二級溫度系數 | B | (−3.5±1.0)x10−8/°C2 | |
負載容量 | CL | 7.0pF/9.0pF/12.5pF | |
串聯電阻 | R1 | 65kÙ 最大值 | |
絕對最大激勵等級 | DLmax. | 1μW | |
推薦激勵等級 | DL | 0.1μW | |
并聯電容 | C0 | 0.8pF 典型值 | |
頻率老化程度 | f_age | ±3x10-6 | +25±3°C,第一年 |
工作溫度范圍 | T_use | -20°C~+70°C | |
保存溫度范圍 | T_stg | -55°C~+125°C | 單件保管一年 |
.jpg)
.jpg)
.jpg)
“CA-301 4.0000M-C:PBFREE”,每個封裝類型的注意事項:
(1)陶瓷封裝產品
在一個不同擴張系數電路板(環氧玻璃)上焊接陶瓷封裝產品時,在溫度長時間重復變化時可能導致端子焊接部分發生斷裂,請事先檢查焊接特性.
(2)柱面式產品
產品的玻璃部分直接彎曲引腳或用力拉伸引腳會導致在引腳根部發生密封玻璃分裂(開裂),也可能導致氣密性和產品特性受到破壞.當晶體產品的引腳需彎曲成下圖所示形狀時,應在這種場景下留出0.5mm的引腳并將其托住,以免發生分裂.當該引腳需修復時,請勿拉伸,托住彎曲部分進行修正.在該密封部分上施加一定壓力,會導致氣密性受到損壞.所以在此處請不要施加壓力.另外,為避負機器共振造成引腳疲勞切斷,建議用粘著劑將產品固在定電路板上.
.png)
(3)DIP 產品
已變形的引腳不能插入板孔中.請勿施加過大壓力,以免引腳變形.
(4)SOJ 產品和SOP 產品
請勿施加過大壓力,以免引腳變形.已變形的引腳焊接時會造成浮起.尤其是SOP產品需要更加小心處理.

.jpg)

1、技術支持:全方位技術指導,專業的技術支持讓您感受到前所未有的后顧無憂.
2、客服咨詢:專業的銷售團隊,耐心為您解答任何疑問,讓您的消費得到保障.
3、質量保證,誠信為本,上我司以“以科技為動力,以質量求生存,”為理念.
4、提升業績,降低成本為您的產品量身訂制,免費取樣,為您做到低成本,高效率.
2、客服咨詢:專業的銷售團隊,耐心為您解答任何疑問,讓您的消費得到保障.
3、質量保證,誠信為本,上我司以“以科技為動力,以質量求生存,”為理念.
4、提升業績,降低成本為您的產品量身訂制,免費取樣,為您做到低成本,高效率.


康比電子聯系方式:
Q Q: 577541227
電 話:0755-27876201
手 機: 13728742863
Email: kangbidz@163.com
網 址: http://m.siliconsi.com/
地 址: 廣東省深圳市寶安區41區33棟6層
Q Q: 577541227
電 話:0755-27876201
手 機: 13728742863
Email: kangbidz@163.com
網 址: http://m.siliconsi.com/
地 址: 廣東省深圳市寶安區41區33棟6層