康比電子roducts
國產晶振
臺產晶振
進口晶振
- 日本大真空晶振
- 愛普生晶振
- 精工晶振
- 西鐵城晶振
- 村田晶振
- 進口KSS晶振
- NDK晶振
- 大河石英晶振
- 美國CTS晶振
- 微晶晶振
- Abracon晶振
- ECS晶振
- Golledge晶振
- IDT晶振
- Jauch晶振
- Pletronics晶振
- 拉隆晶振
- SiTime晶振
- Statek晶振
- 格林雷晶振
- 康納溫菲爾德晶振
- 日蝕晶振
- 瑞康晶振
- 維管晶振
- AEK晶振
- AEL晶振
- Cardinal晶振
- Crystek晶振
- Euroquartz晶振
- FOX晶振
- Frequency晶振
- Geyer晶振
- KVG晶振
- ILSI晶振
- MERCURY晶振
- MMDCOMP晶振
- MtronPTI晶振
- QANTEK晶振
- QuartzCom晶振
- Quarztechnik晶振
- Suntsu晶振
- Transko晶振
- Wi2Wi晶振
- Fujicom晶振
- Interquip晶振
- ITTI晶振
- Lihom晶振
- MTI晶振
- NAKA晶振
- Oscilent晶振
- PDI晶振
- Rubyquartz晶振
- Shinsung晶振
- SMI晶振
- CTECH晶振
- IQD晶振
- Microchip晶振
- NJR晶振
- Silicon晶振
- Anderson晶振
- Fortiming晶振
- CORE晶振
- NIPPON晶振
- NICKC晶振
- QVS晶振
- Bomar晶振
- Bliley晶振
- GED晶振
- FILTRONETICS晶振
- STD晶振
- Q-Tech晶振
- Wenzel晶振
- NEL晶振
- EM晶振
- PETERMANN晶振
- FCD-Tech晶振
- HEC晶振
- FMI晶振
- Macrobizes晶振
- AXTAL晶振
- Sunny晶振
- 瑞薩Renesas晶振
- SKYWORKS晶振
車載電子
數碼電子
智能家居
時計產品
無線網絡
智能穿戴
醫療器械
無人機
0755-27876201
常見問題
更多>>.jpg)
.jpg)
6G無線網絡晶振,MG7050HAN,X1M0004310010,愛普生HCSL輸出差分晶振,日本進口晶振,EPSON愛普生株式會社,晶振型號:MG7050HAN,編碼為:X1M0004310010,頻率為:156.250000 MHz,小體積晶振尺寸:7.0x5.0mm,14墊腳貼片晶振,HCSL輸出差分晶振,有源晶振,石英晶振,石英晶體振蕩器。該產品是利用鋸波諧振器的基本振蕩的HCSL輸出的高頻振蕩器。這實現了頻率為100~200MHz的低抖動和低噪聲。具有超小型,輕薄型,低抖動,低功耗,低電源電壓,低耗能,低損耗,低相位噪聲,低電平,抗干擾能力強等特點,MG7050HAN石英晶振被廣泛用于移動通訊設備,服務器、存儲等參考時鐘,無線網絡,藍牙模塊,物聯網,以太網,車載電子,安防設備,醫療設備,數碼產品等應用。
.jpg)
6G無線網絡晶振,MG7050HAN,X1M0004310010,愛普生HCSL輸出差分晶振,參數表
Item | Symbol | MG7050HAN參數說明 | Conditions / Remarks | ||
Output frequency range | f0 | 100 MHz to 200 MHz | Please contact us about available frequencies. | ||
100MHz , 125MHz , 156.25MHz , 200MHz | Standard frequency | ||||
Supply voltage | VCC | D : 2.5V ± 0.125V | C : 3.3V ± 0.33V | VCC1 and VCC2 need same voltage | |
Storage temperature | T_stg | -55°C to +125°C | Store as bare product after packing | ||
Operating temperature | T_use | A : 0°C to +70°C | |||
B : -20°C to +70°C | |||||
D : -5°C to +85°C | |||||
Frequency tolerance *1 | f_tol | J : ± 50 × 10-6 | |||
L : ±100 × 10-6 | |||||
Current consumption | ICC | 55 mA Typ. | 60 mA Typ. | 2-outputs | OE = VCC |
84 mA Max. | 90 mA Max. | with L_HCSL | |||
95 mA Typ. | 100 mA Typ. | 4-outputs | |||
128 mA Max. | 136 mA Max. | ||||
Disable current | I_dis | 11 mA Typ. | 12 mA Typ. | 2-outputs | OE = GND |
23 mA Max. | 25 mA Max. | ||||
15 mA Typ. | 16 mA Typ. | 4-outputs | |||
28 mA Max. | 30 mA Max. | ||||
Symmetry | SYM | 45%to 55% | At outputs crossing point | ||
Output voltage | VOH | 0.66 V to 0.85 mV | DC characteristics | ||
VOL | -0.15 V to 0.15 V | ||||
Output load condition | L_HCSL | 50Ω or 42.2Ω, with CL = 2pF, | |||
Rs = 33Ω or 27Ω | |||||
Input voltage | VIH | 70% VCC Min. | OE and ZSEL terminals | ||
VIL | 30% VCC Max. | ||||
Rise time / Fall time | Rr / Rf | 1 V/ns to 4 V/ns | Between -0.15 V and 0.15 V of differential output. | ||
Start-up time | t_str | 5 ms Typ., 10 ms Max. | Time at minimum supply voltage to be 0 s | ||
Phase Jitter | tPJ | 0.19 ps Typ. | 0.16 ps Typ. | f0 = 100MHz | Offset frequency: |
0.18 ps Typ. | 0.15 ps Typ. | f0 = 125MHz | 12kHz to 20MHz | ||
0.16 ps Typ. | 0.13 ps Typ. | f0 = 156.25MHz | |||
0.14 ps Typ. | 0.12 ps Typ. | f0 = 200MHz | |||
0.3 ps Max. | |||||
Skew | t_skew | 20ps Typ. 50ps Max. | FSEL = H | ||
Aging | f_aging | N : ± 10 × 10-6 / year Max. | First year | +25°C, | |
A : Included in Frequency tolerance *2 | 10 years | VCC = 2.5V , 3.3V |
.jpg)
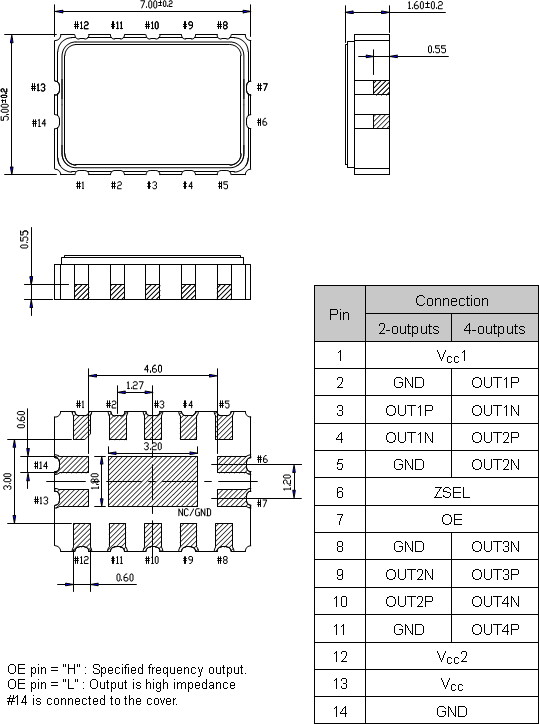
6G無線網絡晶振,MG7050HAN,X1M0004310010,愛普生HCSL輸出差分晶振,尺寸圖

6G無線網絡晶振,MG7050HAN,X1M0004310010,愛普生HCSL輸出差分晶振
差分晶振是普通貼片晶振所不能夠達到的,差分晶振具有低電平,低抖動,低功耗等特性。差分晶振作為目前行業中高要求,高技術石英晶體振蕩器,具有相位低,損耗低的特點,愛普生差分晶振使用于產品中能夠很容易地識別小信號,能夠從容精確地處理雙級信號,對外部電磁干擾(EMI)是高度免疫的,差分石英晶振滿足市場需求,實現高頻高精度等要求,更加保障了各種系統參考時鐘的可靠性。
石英晶體振蕩器 | 型號 | 頻率 | 尺寸 | 輸出方式 | 電源電壓 |
X1M0000910001 | EG-2102CA | 100.000000 MHz | 7.00 x 5.00 x 1.20 mm | HCSL | 3.000 to 3.600 V |
X1M0000910002 | EG-2102CA | 100.000000 MHz | 7.00 x 5.00 x 1.20 mm | HCSL | 3.000 to 3.600 V |
X1M0000910003 | EG-2102CA | 100.000000 MHz | 7.00 x 5.00 x 1.20 mm | HCSL | 3.000 to 3.600 V |
X1M0000910004 | EG-2102CA | 100.000000 MHz | 7.00 x 5.00 x 1.20 mm | HCSL | 3.000 to 3.600 V |
X1M0000910005 | EG-2102CA | 100.000000 MHz | 7.00 x 5.00 x 1.20 mm | HCSL | 3.000 to 3.600 V |
X1M0000910006 | EG-2102CA | 100.000000 MHz | 7.00 x 5.00 x 1.20 mm | HCSL | 3.000 to 3.600 V |
X1M0000910007 | EG-2102CA | 100.000000 MHz | 7.00 x 5.00 x 1.20 mm | HCSL | 3.000 to 3.600 V |
X1M0000910008 | EG-2102CA | 156.250000 MHz | 7.00 x 5.00 x 1.20 mm | HCSL | 3.000 to 3.600 V |
X1M0000910009 | EG-2102CA | 312.500000 MHz | 7.00 x 5.00 x 1.20 mm | HCSL | 3.000 to 3.600 V |
X1M0000910010 | EG-2102CA | 322.265625 MHz | 7.00 x 5.00 x 1.20 mm | HCSL | 3.000 to 3.600 V |
X1M0001010002 | EG-2121CA | 100.000000 MHz | 貼片晶振 | HCSL | 2.375 to 2.625 V |
X1M0004310004 | MG7050HAN | 100.000000 MHz | 7.00 x 5.00 x 1.60 mm | HCSL | 2.970 to 3.630 V |
X1M0004310006 | MG7050HAN | 100.000000 MHz | 7.00 x 5.00 x 1.60 mm | HCSL | 2.970 to 3.630 V |
X1M0004310007 | MG7050HAN | 100.000000 MHz | 7.00 x 5.00 x 1.60 mm | HCSL | 2.970 to 3.630 V |
X1M0004310008 | MG7050HAN | 100.000000 MHz | 7.00 x 5.00 x 1.60 mm | HCSL | 2.970 to 3.630 V |
X1M0004310009 | MG7050HAN | 100.000000 MHz | 7.00 x 5.00 x 1.60 mm | HCSL | 2.970 to 3.630 V |
X1M0004310010 | MG7050HAN | 156.250000 MHz | 7.00 x 5.00 x 1.60 mm | HCSL | 2.970 to 3.630 V |
X1M0004310011 | MG7050HAN | 156.250000 MHz | 7.00 x 5.00 x 1.60 mm | HCSL | 2.970 to 3.630 V |
X1M0004610001 | XG5032HAN | 100.000000 MHz | 5.00 x 3.20 x 1.40 mm | HCSL | 2.375 to 2.625 V |
X1M0004610002 | XG5032HAN | 100.000000 MHz | 5.00 x 3.20 x 1.40 mm | HCSL | 2.970 to 3.630 V |
X1M0004610003 | XG5032HAN | 100.000000 MHz | 5.00 x 3.20 x 1.40 mm | HCSL | 2.970 to 3.630 V |
X1M0004610006 | XG5032HAN | 100.000000 MHz | 5.00 x 3.20 x 1.40 mm | HCSL | 2.970 to 3.630 V |



1、技術支持:全方位技術指導,專業的技術支持讓您感受到前所未有的后顧無憂.
2、客服咨詢:專業的銷售團隊,耐心為您解答任何疑問,讓您的消費得到保障.
3、質量保證,誠信為本,上我司以“以科技為動力,以質量求生存,”為理念.
4、提升業績,降低成本為您的產品量身訂制,免費取樣,為您做到低成本,高效率.
3、質量保證,誠信為本,上我司以“以科技為動力,以質量求生存,”為理念.
4、提升業績,降低成本為您的產品量身訂制,免費取樣,為您做到低成本,高效率.


康比電子聯系方式:
Q Q: 577541227
電 話:0755-27876201
手 機: 13728742863
Email: kangbidz@163.com
網 址: http://m.siliconsi.com/
地 址: 廣東省深圳市寶安區41區33棟6層
Q Q: 577541227
電 話:0755-27876201
手 機: 13728742863
Email: kangbidz@163.com
網 址: http://m.siliconsi.com/
地 址: 廣東省深圳市寶安區41區33棟6層